Carros porta cabos para serviços pesados, com até três níveis, adequados para uso de cabos redondos ou chatos, são fabricados em aço carbono (inox sob encomenda); rodízios em aço temperado com rolamentos blindados de esferas, construídos especialmente para uso nas mais severas condições de trabalho, em qualquer tipo de ambiente, com um alto grau de confiabilidade e grande resistência mecânica.
Carros porta cabos para serviços pesados, com até três níveis, adequados para
uso de cabos redondos ou chatos, são fabricados em aço carbono (inox sob
encomenda); rodízios em aço temperado com rolamentos blindados de esferas,
construídos especialmente para uso nas mais severas condições de trabalho, em
qualquer tipo de ambiente, com um alto grau de confiabilidade e grande resistência
mecânica.
Possuem construção especial para uso em atmosfera marinha ou corrosiva onde é
oferecido com materiais inoxidáveis ou resistentes a corrosão (*).
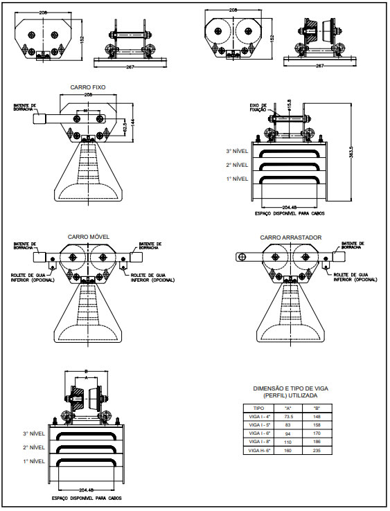
CARACTERÍSTICAS DIMENSIONAIS

CARACTERÍSTICAS DIMENSIONAIS
CARRO PORTA CABO MODELO CPC-020

CARACTERÍSTICAS DIMENSIONAIS
CARRO PORTA CABO MODELO CPC-030

CARACTERÍSTICAS DIMENSIONAIS
CARRO PORTA CABO MODELO CPC-040

CARACTERÍSTICAS TÉCNICAS
MODELOS/ CARACTERÍSTICAS BÁSICAS
São fabricados em 04 modelos diferentes, sendo todos para serviços pesados em pontes rolantes siderúrgicas,
construídos com matérias primas e tratamentos qualificadas, com as seguintes características básicas :
• Alta capacidade de carga.
• Alta vida útil e desempenho, mesmo em uso externo (ao tempo).
• Para uso com cabos redondos ou chatos, sendo que o modelo CPC-020 é exclusivo para cabos elétricos
redondos e possui sistema de trava individual para cada cabo, com proteção interna.
• Batentes de borracha ou poliuretano aparafusados.
• Sistema de guia inferior para evitar um desalinhamento/ travamento dos carros durante a translação e o
desgaste prematuro das abas dos rodízios.
• Rodízios com ângulos variados em função do perfil da viga de rolamento.
• Construção especial para uso em ambientes corrosivos (ex. áreas de decapagem em siderurgias).
• Podem ser tracionados por cabos de aço ou correntes.
• Podem ser montados com diversos níveis de bandejas (até 3 níveis).
• Com a colocação de espaçadores e parafusos maiores é possível a utilização do mesmo carro em diversas
bitolas e tipos de vigas de rolamento.
VELOCIDADE
A velocidade máxima recomendada é de 60m/min.
CAPACIDADE DE CARGA (todos com 02 níveis de bandejas)
• Modelo CPC-010 250kg
• Modelo CPC-020 300kg
• Modelo CPC-030 250kg
• Modelo CPC-040 350kg
QUANTIDADE DE CARROS E CABOS
Para determinar a quantidade de carros necessários basta utilizar a seguinte fórmula :
número de carros (n) = comprimento do cabo elétrico (L) / 2 x a flexa do cabo (f) + 1 (carro fixo) ⇒ n = L / 2.f
L = soma do espaço destinado a garagem + o percurso do carro arrastador + 20%
f = a altura do cabo da bandeja até o seu ponto mais baixo (definido em função do local de montagem).
QUANTIDADE DE CABOS
A quantidade de cabos máxima que pode ser montada por carro é determinada pelos seguintes fatores :
1. Pelo peso total dos cabos montados em um carro, que seria a somatória dos pesos por metro linear dos cabos
multiplicado pelo comprimento dos cabos medidos entre os centros dos carros.
2. Pelo espaço disponível nas bandejas, que seria a somatória (*) total dos diâmetros dos cabos comparada com a
largura útil disponível nas bandejas.
(*) Para os modelos CPC-020/040; deverá ser informado no pedido a quantidade e os modelos de grampos de fixação necessários para o uso.
PINTURA
A pintura dos carros é executada em poliuretano, sendo disponíveis as cores; Vermelho segurança (Munsell 5R
4/14), Amarelo ouro (Munsell 10YR 8/14); amarelo segurança (5Y 8/12) e Cinza Claro (Munsell N6,5), outras cores
deverão ser consultadas.
PESO
Variável em função da construção mecânica (número de bandejas, bitola da viga de rolamento, material, etc.) e da
aplicação (fixo, arrastador ou móvel), para maiores informações consultem nosso depto técnico.
DADOS CONSTRUTIVOS
CARRO PADRÃO (USO INTERNO)– Estrutura em aço carbono, rodízios em aço carbono temperado com
rolamentos de esferas blindado (duplo nos modelos CPC-020/ 040), eixos, parafusos, porcas e demais
componentes em aço carbono bicromatizado; bandejas em chapa de aço carbono soldadas nos modelo CPC010/030 e aparafusadas nos modelos CPC-020/ 040, pintura externa em poliuretano sobre primer, batentes em
borracha nitrílica ou poliuretano e espaçadores de madeira no modelo CPC-010.
CARRO COM PROTEÇÃO ADICIONAL (USO EXTERNO) – Estrutura em aço carbono pintada em poliuretano sobre
primer, eixos, parafusos, porcas e demais componentes em aço carbono banhados com resistência a corrosão
mínima de 200h Salt-spray.
CARRO COM PROTEÇÃO CONTRA CORROSÃO – Estrutura em aço carbono banhado e pintado em poliuretano,
com resistência a corrosão mínima de 400h Salt-spray, eixos; parafusos, porcas e demais componentes em aço
inoxidável.
CPC-001A/02 7/7
TABELA PARA ESPECIFICAÇÃO
Para uma perfeita especificação do modelo desejado, os números entre colchetes que correspondem aos itens da
primeira coluna, deverão ser substituídos pelos códigos alfanuméricos constantes na ultima coluna, ou pelos
informados em tabelas anteriores.
MODELO CPC-010 [ 1 ] / [ 2 ] [ 3 ] [ 4 ] [ 5 ] [ 6 ]
CPC-020 [ 1 ] / [ 2 ] [ 3 ] [ 4 ] [ 5 ] [ 6 ]
CPC-030 [ 1 ] / [ 2 ] [ 3 ] [ 4 ] [ 5 ] [ 6 ]
CPC-040 [ 1 ] / [ 2 ] [ 3 ] [ 4 ] [ 5 ] [ 6 ]

Avaliações
Ainda não há comentários.