Chave fim de curso rotativa do tipo “contadora de voltas/ programável” também conhecida como “seletora”, “copiadora” ou de “chave de cames”, destinada a operar em qualquer tipo de máquina ou equipamento que necessite de uma monitoração/ automação para posicionamento ou limitação do número de voltas no eixo.
Chave fim de curso rotativa do tipo “contadora de voltas/ programável” também conhecida como “seletora”, “copiadora” ou de “chave de cames”, destinada a operar em qualquer tipo de máquina ou equipamento que necessite de uma monitoração/ automação para posicionamento ou limitação do número de voltas no eixo.
Recomendada para uso em locais onde se necessite de uma chave de grande confiabilidade e alta resistência eletromecânica aliado a uma baixa manutenção.
Este modelo é ideal para uso em Pontes Rolantes; Pórticos; Carregadores/ descarregadores de navios, Guindastes; Enroladores de cabos; Portas automáticas ou qualquer equipamento acionado por cabos, correntes ou engrenagens.
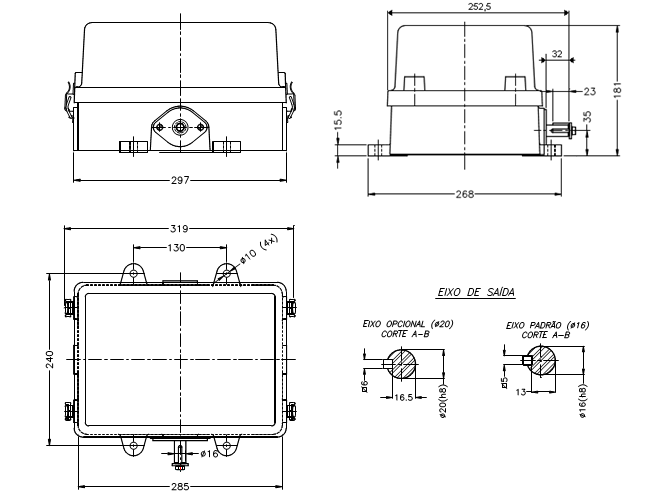
CARACTERÍSTICAS DIMENSIONAIS

CARACTERÍSTICAS TÉCNICAS
CONTATOS E CARACTERÍSTICAS ELÉTRICAS
Pode ser montada com até 08 (oito) contatos elétricos independentes, que podem ser:
BLOCO DE CONTATO DE DUPLA RUPTURA:

MICRORUPTOR (SPDT): tensão de isolação 480V

SENSOR INDUTIVO:

GRAU DE PROTEÇÃO
IP-65 (proteção contra pó e jatos de líquidos vindos de qualquer direção), conforme Norma ABNT NBR IEC 60529.
NÚMERO DE VOLTAS
A chave SC-208 pode ser fornecida com diversas relações (algumas sob consulta), sendo as padronizadas as seguintes:
TEMPERATURAS DE UTILIZAÇÃO
(*) Para chaves com blocos de contatos convencionais ou de – 5ºC à 120ºC para os demais tipos de contatos.
ENTRADA DE CABOS
Possui duas entradas de cabos, de f 3/4” BSP, que podem ser providas de tampões de vedação ou prensa cabos.
PINTURA
A pintura da chave poderá ser do tipo eletrostática á pó em poliéster ou pintura líquida em poliuretano, sendo disponíveis as seguintes cores padronizadas: Amarelo segurança (Munsell 5Y 8/12) e Cinza Claro (Munsell N6,5), outras cores deverão ser consultadas.
PESO
Chave com invólucro em alumínio fundido 9,20 kg
DADOS CONSTRUTIVOS
CHAVE PADRÃO: Invólucro em alumínio fundido, pintura externa em poliéster (eletrostática a pó) de alta resistência, componentes internos e externos em aço carbono bicromatizado, eixo montado sobre rolamentos blindados, blocos de contato em baquelite e contatos em latão e pastilhas em AgCdO, vedações em borracha nitrilica.
CHAVE COM PROTEÇÃO TÉRMICA: Revestimento interno com manta térmica, molas em aço inoxidável, bloco de contato em baquelite especial, componentes butilicos adequados à temperatura, demais componentes idênticos ao modelo padrão.
CHAVE COM PROTEÇÃO CONTRA CORROSÃO: Componentes internos e externos em aço inoxidável ou latão, demais componentes idênticos ao modelo padrão.
Esta chave possui regulagem independente e contínua dos contatos, através de sistema de cames deslizantes, variando desde a primeira volta até o número final de voltas (variável conforme relação de redução, vide número de voltas).
Lembramos que os cames não são fornecidos programados, possuindo uma regulagem padrão de 180º, referente a 50% do número de voltas para cada came, portanto promovendo uma faixa de regulagem de 0 à 180º, nos casos em que a chave deverá ser programada para um deslocamento maior recomendamos que o ajuste seja executado no local, bastando para isso desbastar os cames com o auxílio de uma faca (exceto para chave com sensores que utilizam cames de aço que deverão ser adquiridos já pré programados).
SOBRESSALENTES
A seguir relacionamos alguns códigos de peças sobressalentes para o modelo padrão, os códigos são especificados para fornecimento de conjuntos (kits), que contém todos os itens necessários para a perfeita manutenção do produto.
TABELA PARA ESPECIFICAÇÃO
Para uma perfeita especificação do modelo desejado os números entre colchetes, que correspondem aos itens da primeira coluna, deverão ser substituídos pelos códigos alfanuméricos constantes na ultima coluna, ou pelos informados em tabelas anteriores.
MODELO SC-208 / [ 1 ] [ 2 ] [ 3 ] [ 4 ] [ 5 ] [ 6 ] [ 7 ] [ 8 ] [ 9 ] [ 10 ]

Avaliações
Ainda não há comentários.