Chave fim de curso com alavanca de acionamento do tipo “Lira” com roldanas de acionamento em uma direção sem retorno automático, contatos de ação instantânea, produzida especialmente para uso nas mais severas condições de trabalho, quando se necessita de um alto grau de proteção do invólucro e baixa manutenção.
Chave fim de curso com alavanca de acionamento do tipo “Lira” com roldanas de acionamento em uma direção sem retorno automático, contatos de ação instantânea, produzida especialmente para uso nas mais severas condições de trabalho, quando se necessita de um alto grau de proteção do invólucro e baixa manutenção.
É uma chave ideal para uso siderúrgico, onde os ambientes apresentam alta concentração de contaminações e as mais adversas condições de trabalho. Indicada principalmente para linhas de laminação, máquinas de pátios de minérios, pontes rolantes, carros de transferência, etc.

CONTATOS E CARACTERÍSTICAS ELÉTRICAS
Possui dois contatos elétricos independentes do tipo ponte com dupla ruptura, pastilhas de AgCdO (prata + óxido de cádmio) com ou sem sistema de sopro magnético (imãs), montados em base única de baquelite, acionados por cames de ação lenta, ou com apenas 01 contato especial de alta capacidade de interrupção, para uso em cargas indutivas (corrente contínua ou alternada), dotado de sistema de extinção de arco composto de bobina de sopro, guias de arco e câmara de extinção de arco, conforme características a seguir

MICRORUPTOR DE RUPTURA POSITIVA (EN 60947-5-1) 10A/ 250Vca (SPDT):

MICRORUPTOR PADRÃO (SPDT)

IP-65 (proteção contra pó e jatos de líquidos vindos de qualquer direção), conforme Norma ABNT NBR IEC 60529.
TEMPERATURA DE UTILIZAÇÃO
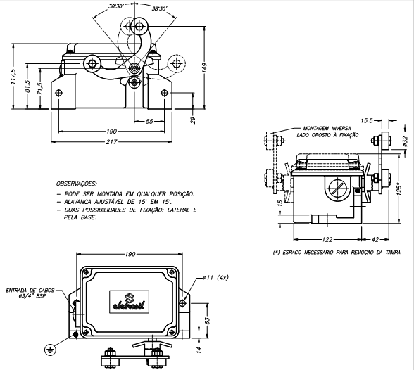
ENTRADA DE CABOS
Possui uma entrada para cabos de f ¾” BSP, provida de tampão de vedação ou de prensa cabo.
PINTURA
A pintura das chaves será do tipo eletrostática á pó em poliéster, sendo disponíveis as seguintes cores padronizadas: Vermelho segurança (Munsell 5R 4/14), Amarelo segurança (Munsell 5Y 8/12) e Cinza Claro (Munsell N6,5), outras cores deverão ser consultadas.
PESO
DADOS CONSTRUTIVOS
CHAVE PADRÃO: Invólucro e acionador em alumínio fundido, pintura externa em poliéster (eletrostática a pó) de alta resistência, componentes internos e externos em aço carbono bicromatizado, base de contatos e cames em baquelite, parafusos da tampa do tipo “imperdível” em aço inoxidável, buchas da caixa em bronze especial, vedações em borracha nitrílica.
CHAVE COM PROTEÇÃO CONTRA CORROSÃO: Componentes internos e externos em aço inoxidável ou latão, molas em aço inoxidável, demais componentes idênticos ao modelo padrão.
CHAVE COM PROTEÇÃO TÉRMICA: Revestimento interno com manta térmica, molas em aço inoxidável, vedações e componentes de borracha adequados à temperatura, base de contatos e cames em poliéster com fibra de vidro, demais componentes idênticos ao modelo padrão.
CHAVE COM PROTEÇÃO MECÂNICA: Invólucro em ferro fundido, demais componentes e acabamentos idênticos ao modelo padrão.
PROGRAMAÇÃO DOS CONTATOS
Os ângulos indicados no diagrama são referentes ao deslocamento do acionador, outras programações poderão ser fornecidas sob consulta (enviar diagrama conforme padrão abaixo).
Os ângulos de atuação são mantidos independente da posição de montagem da alavanca de acionamento ( pois a mesma poderá ser montada com ajuste de 15 em 15º)

Para uma perfeita especificação do modelo desejado, os números entre colchetes, que correspondem aos itens da primeira coluna, deverão ser substituídos pelos códigos alfanuméricos, constantes na ultima coluna, ou pelos informados em tabelas anteriores.
MODELO SC-159UL / [ 1 ] [ 2 ] [ 3 ] [ 4 ] [ 5 ] [ 6 ] [ 7 ] [ 8 ]

SOBRESSALENTES
A seguir relacionamos alguns códigos de peças sobressalentes para o modelo padrão, os códigos são especificados para fornecimento de conjuntos (kits), que contém todos os itens necessários para a perfeita manutenção do produto.
OBSERVAÇÕES:
Avaliações
Ainda não há comentários.