Chave fim de curso do tipo “alavanca com roldana”, com acionamento em uma direção e dois sentidos com retorno automático, produzida especialmente para uso nas mais severas condições de trabalho, quando se necessita de um alto grau de proteção do invólucro e baixa manutenção.
Chave fim de curso do tipo “alavanca com roldana”, com acionamento em uma direção e dois sentidos com retorno automático, produzida especialmente para uso nas mais severas condições de trabalho, quando se necessita de um alto grau de proteção do invólucro e baixa manutenção.
Com base em suas qualidades, é uma chave ideal para uso siderúrgico, onde os ambientes apresentam alta concentração de contaminações e as mais adversas condições de trabalho. Indicada principalmente para linhas de laminação, máquinas de pátios de minérios, pontes rolantes, carros de transferência, etc.
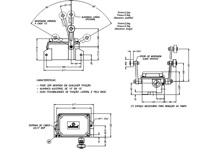
CARACTERÍSTICAS DIMENSIONAIS

CARACTERÍSTICAS TÉCNICAS
CONTATOS E CARACTERÍSTICAS ELÉTRICAS
Possui dois contatos independentes do tipo ponte, com dupla ruptura, pastilhas de AgCdO (prata + óxido de cádmio), montados em base única de baquelite, acionados por cames de ação lenta, podendo também ser fornecida com contatos com sopro magnético para operar em circuitos de corrente contínua, conforme características a seguir.

MICRORUPTOR DE RUPTURA POSITIVA (EN 60947-5-1) 10A/ 250Vca (SPDT):

IP-65 (proteção contra pó e jatos de líquidos vindos de qualquer direção), conforme Norma ABNT NBR IEC 60529.
TEMPERATURA DE UTILIZAÇÃO
ENTRADA DE CABOS
Possui uma entrada para cabos de f ¾” BSP, provida de tampão de vedação ou de prensa cabo.
PINTURA
A pintura das chaves será do tipo eletrostática á pó em poliéster, sendo disponíveis as seguintes cores padronizadas: Vermelho segurança (Munsell 5R 4/14), Amarelo segurança (Munsell 5Y 8/12) e Cinza Claro (Munsell N6,5), outras cores deverão ser consultadas.
PESO
DADOS CONSTRUTIVOS
CHAVE PADRÃO: Invólucro e acionador em alumínio fundido, pintura externa em poliéster (eletrostática a pó) de alta resistência, componentes internos e externos em aço carbono bicromatizados, base de contatos e cames em baquelite, parafusos da tampa do tipo “imperdível” em aço inoxidável, buchas da caixa em bronze especial, vedações em borracha nitrilica.
CHAVE COM PROTEÇÃO CONTRA CORROSÃO: Componentes internos e externos em aço inoxidável ou latão, molas em aço inoxidável, demais componentes idênticos ao modelo padrão.
CHAVE COM PROTEÇÃO TÉRMICA: Revestimento interno com manta térmica, molas em aço inoxidável, vedações e componentes de borracha adequados à temperatura, base de contatos e cames em poliéster com fibra de vidro, demais componentes idênticos ao modelo padrão.
CHAVE COM PROTEÇÃO MECÂNICA: Invólucro em ferro fundido, demais componentes e acabamentos idênticos ao modelo padrão.
PROGRAMAÇÃO DOS CONTATOS
Os ângulos indicados no diagrama são referentes ao deslocamento da alavanca de acionamento, sendo que a mesma poderá ser ajustada de 0º à 360º de 15º em 15º, outras programações poderão ser fornecidas sob consulta (enviar diagrama conforme padrão abaixo).

TABELA PARA ESPECIFICAÇÃO
Para uma perfeita especificação do modelo desejado, os números entre colchetes, que correspondem aos itens da primeira coluna, deverão ser substituídos pelos códigos alfanuméricos, constantes na ultima coluna, ou pelos informados em tabelas anteriores.
MODELO SC-159R / [ 1 ] [ 2 ] [ 3 ] [ 4 ] [ 5 ] [ 6 ] [ 7 ] [ 8 ] [ 9 ]

Avaliações
Ainda não há comentários.